
JBF5142A输入/输出模块是青鸟消防的一款可实现脉冲输出、持续输出两种输出方式的控制模块。该模块主要用于消防联动设备的控制,并可接收联动设备动作后的应答信号从而判断被控设备是否动作,同时可对被控设备与模块的输入端和输出端连接线路状态进行监测。
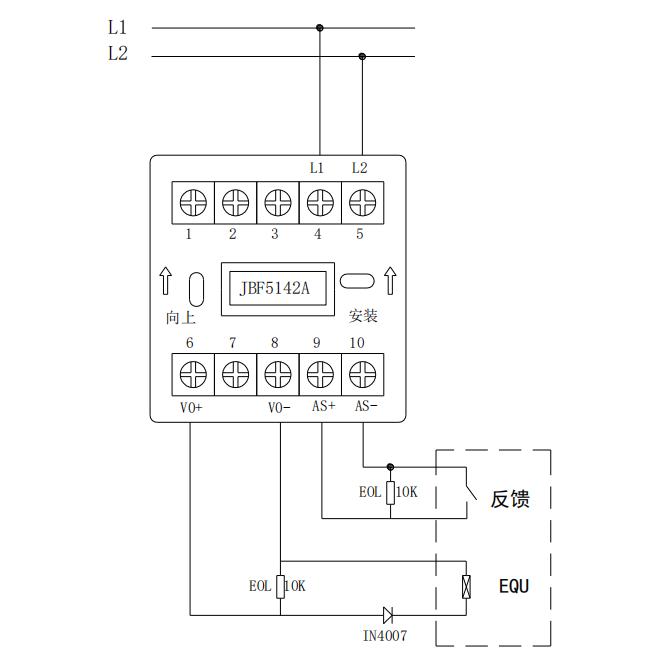
JBF5142A输入输出模块接线图:

L1(端子4)、L2(端子5):接回路总线,无极性。
AS+(端子9)、AS-(端子10):信号反馈,接应答(无源触点)。
注:连接在AS+和AS-上的监视设备的动合端必须并联10KΩ终端电阻,见图。
VO+(端子6)、VO-(端子8):接被控设备。模块启动后VO+(端子6)和VO-(端子8)可以脉冲输出或持续输出。
注:①脉冲输出:模块设备只提供DC30V/1.5A/100ms脉冲,不提供持续电压。
②持续输出:脉冲输出后还可持续输出维持DC24V继电器工作所需电流。
消防知识、消防器材、消防技术、消防法规的学习交流中心 --消防百事通--一起来关注 www.fire114.cn